Zum Hauptinhalt springen Zur Suche springen Zur Hauptnavigation springen

Werkzeughalter AQUA-G radial B1 rechts DIN69880 VDI40

Artikelnummer: 22408240
Anschluss für externe Kühlung G1/8", bis 4 bar kühlmitteldicht
Einsatz: für Klemmhalter mit Innenkühlung
IK: ja
Norm: DIN 69880
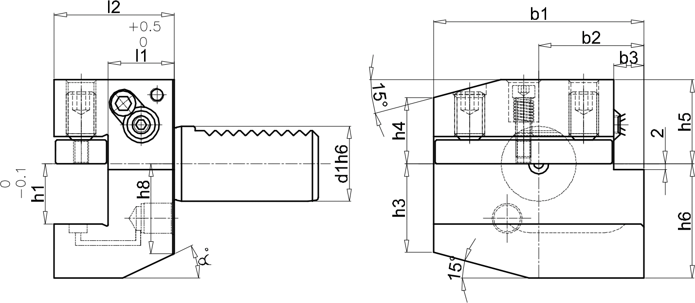
l1 (mm): 22

Ausführungen

Produkte filtern

Code d1 (mm) h4 (mm) b3 (mm) h5 (mm) b2 (mm) l2 (mm) h6 (mm) h3 (mm) b1 (mm) h1 (mm) Anzahl VE Preis/VE

22408240 40 30 12,5 32,5 42,5 44 48 35 85 25 1 Stück
133,88 €

22408230 30 22 10 28 35 40 38 26 70 20 1 Stück
119,18 €