Zum Hauptinhalt springen Zur Suche springen Zur Hauptnavigation springen

Hydro-Dehnspannfutter kurz/schwer HSK100-A HPC/HSC D12mm

Artikelnummer: 23704512
extrem hohe Haltekräfte, schwingungsdämpfende Wirkung, hohe Temperaturbeständigkeit, alle handelsüblichen Werkzeuge spannbar, schnelle Rüstzeiten durch einfache Handhabung, hohe übertragbare Drehmomente, mit axialer Längeneinstellung
Ausführung: kurz und schwer
Einsatz: zum HPC/HSC-Fräsen, Gewindefräsen, Bohren, Reiben und speziell für die Schwerzerspanung
Form: A
IK: ja
Norm: DIN 69893
Wuchtgüte: G2,5 25000
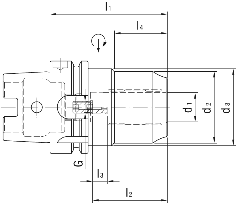
d3 (mm): 52,5
l1 (mm): 80
l3 (mm): 10

Ausführungen

Produkte filtern

Code l2 (mm) d1 (mm) l4 (mm) Aufnahme d2 (mm) Anzahl VE Preis/VE

23704512 46 12 34 HSK 100-A 42 1 Stück
409,95 €

2370412 46 12 34 HSK 63-A 42 1 Stück
300,95 €

2370420 51 20 36 HSK 63-A 49 1 Stück
300,95 €

23704520 51 20 36 HSK 100-A 49 1 Stück
409,95 €