Zum Hauptinhalt springen Zur Suche springen Zur Hauptnavigation springen

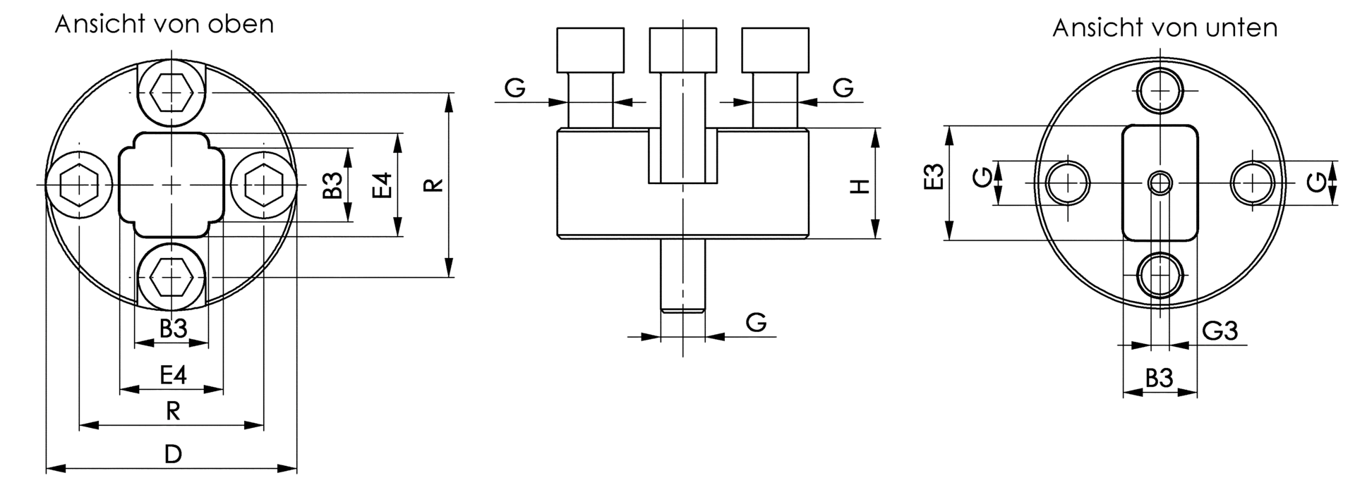
Basisplatte rund M16xNut18

Artikelnummer: 2671218

Lieferumfang:
  • komplett mit Befestigungsschrauben

Hinweis:
Weitere technische Daten finden Sie im Internet www.eylshop.de!
Einsatz: zusammen mit Seitenspanner (Art.-Nr. 26711...), um quer und längs zur Tischnut zu spannen, Erhöhung der Auflagefläche des Werkstückes

Ausführungen

Produkte filtern

Code Nut (mm) H (mm) Gewinde Anzahl VE Preis/VE

2671218 18 50 M16 1 Stück
164,81 €

2671222 22 60 M20 1 Stück
874,53 €

2671214 14 30 M12 1 Stück
134,71 €