Zum Hauptinhalt springen Zur Suche springen Zur Hauptnavigation springen

Aufsteck-Kopierfräser Z6 IK für WSP RD..1003 D42mm

Artikelnummer: 17033542X6
Fräsen mit hohen Vorschüben, durch spezielle Geometrie auch zum Schräg- und Axialeintauchen geeignet
Bearbeitungsverfahren: 3D Profilfräsen/Zirkularfräsen/Eckfräsen/Nutenfräsen/Planfräsen/Auskammern/Eintauchfraesen
Einsatz: für Kopierbearbeitung im Formen- und Gesenkbau sowie zur Schruppbearbeitung von Planflächen und Brennkanten
IK: mit Kühlschmierstoff-Austritt radial
Norm: Werksnorm
Schneidrichtung: rechts

Ausführungen

Produkte filtern

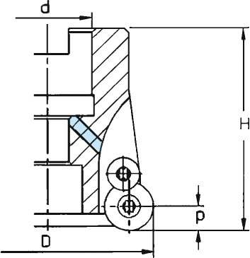
Code H (mm) D (mm) d (mm) Z p (mm) Passend zu Anzahl VE Preis/VE

17033542X6 44 42 16 6 5 WSP RDHT 1003 1 Stück
303,57 €
Produktgalerie überspringen

Zubehör

1703385FNU10 - 10,23 €
Wendeschneidplatte RDHT 1003 MOF ML FNU10
Schneidstoff: FNU10

pro Stück
10,23 €
Vergleichen Vergleichen
Produktgalerie überspringen

Ersatzteile

1703363 - 6,66 €
Ersatzklemmschraube für Eyltool Fräser WSP RD..1003/ RD..12T3

6,66 €
Vergleichen Vergleichen